ญญญญญญญญEE 2212

SPRING  SEMESTER 2017

Stanley G. Burns

Updated

24 April 2017

SyllabusEE2212Spring2017.htm

 

SelfIntroduction.doc     To Support 11 January Class

 

High-k_Metal_Gate_animation_640X480.wmv  To Support 11 January Class

 

LabInfo.docx  To Support 11 January Class

 

QuizZero11January2017.docx  To Support 11 January Class

 

ProblemSet1.htm  Due: Wednesday, 25 January

 

Experiment1RCNetworks.htm  Laboratory for 19 January

 

Worldwide_map_of_voltage_and_frequency[3].png  and plug_map[1].jpg To Support 13 January Class

 

Chapter1SelectedProblems1.jpeg  Chapter1SelectedProblems2.jpeg  Chapter1SelectedProblems3.jpeg  Figures1.4And1.5.jpeg  To Support Problem Set 1 for those of you that do not yet have 5th Edition of the text.

 

http://www.generationdeaf.com/whysetvolumelimits.html  and http://www.industrialnoisecontrol.com/comparative-noise-examples.htm  To Support 18 and 20 January Classes

 

741signetics.jpg  and uA741.pdf  To Support 23 and 25 January Classes

 

Experiment2OpAmpCircuits.htm  Laboratory for 26 January Note the revision

 

ProblemSet2.htm  Due:  Wednesday, 1 February

 

SemiconductorDeviceProcessingSupplementTextSection2.11.pptx  To Support 30 January through 3 February Classes

 

Conductivity.JPG  PeriodicTable.JPG  PeriodicTableTextChapter2.jpeg  To Support 30 January and 1 February Classes

 

Experiment3AdditionalAmplifierCircuits.htm  Laboratory for 2 and 9 February.

 

HydrogenAtom.JPG  Silicon - Copy.jpeg  SiliconCrystal - Copy.jpeg  IntrinsicSilicon.JPG  IntrinsicCarrierConcentrationTextChapter2.jpeg  IntrinsicCarrierDensities.JPG  DonorDopedSilicon.JPG  AcceptorDopedSilicon.JPG  Mobility.JPG  DirectAndIndirectSemiconductors.jpeg  Solecon.JPG  To Support Chapter 2 and Beyond.  1 February through 6 February Classes

 

ProblemSet3.htm  Due:  Wednesday, 8 February

 

1N400XDataSheetPage1.JPG  1N400XDataSheetPage2.JPG  1N400XCap.JPG  DiodeSPICEModel.jpg  DiodeThermalDiagram.jpeg   FWBridge.JPG   DiodeGates.docx  Hyperdiode1.JPG  HyperDiode2.JPG  ElectrolyticCapacitors.JPG  LargeCap1.JPG  LargeCap2.JPG  To Support Classes 6-10 February

 

ProblemSet4.htm  Due:  15 February 2017

 

Experiment4DiodesAndRectifiers.htm  Laboratory for 16 February

 

HeatSink1.JPG  HeatSink2.JPG  Peltier.JPG  USB_Beverage_Cooler[1].jpg 

 

AvalancheDiode.JPG  PhotonicsSupplementTextSection3.18.ppt  To Support 17 and 20 February Classes.

 

ProblemSet5.htm  Due:        Wednesday, 22 February

 

Experiment5AdditionalDiodeCircuits.htm  Laboratory for 23 February

 

FET1.JPG  FET2.JPG  FET3.JPG   FETChapter4Support.docx  FETCirca1964 - Copy.jpg  FETFamilyTree.jpeg  FETFigure4.24.jpeg  FETNMOSSummary.jpeg  FETPMOSSummary.jpeg  FETSPICE.jpeg  FETSPICEINTRO.jpg  FETSymbols.jpeg  FETSymbolsTextAndMore.docx  ThresholdVoltageChart.JPG  To Support Classes Starting 24 February

 

ProblemSet6.htm  Due:  Wednesday, 1 March

 

Experiment6MOSI-VCharacteristics.htm  Laboratory for 2 March

 

CD4007-tiDataSheet.pdf  To Support Experiment 6 and other FET Topics

 

ProblemSet7.htm  Due:  Wednesday, 22 March

 

Experiment7MOSCircuits.htm  Laboratory for 16 March

 

NMOSInverterTopologies.docx  NMOSDepletionModeInverter.jpeg  NMOSEnhancementModeInverter.jpeg  NMOSEnhancementModeInverterWaveforms.jpeg  CMOS1.JPG  CMOS2.JPG  CMOS3.JPG  To Support 15 March Class 

 

Inkjet.JPG  FlashMemory.jpeg  CCD1.JPG  CCD2.JPG    TFTBasicTopology.jpg  LCD1.JPG  Color Wheel.jpg  Additive Colors.gif  AdditiveAndSubtractiveColors.jpg   LCD1.JPG    TFT1.JPG  TFT2.JPG  TFT3.JPG  TFT4.JPG  Display1 - Copy.JPG  Display2.JPG  Display3 - Copy.JPG  Display4.JPG  To Support 17 and 20 March Classes

 

http://www.regencytr1.com/  Interesting Background

 

BJT1Figure5.1.JPG  BJT2Figure5.2And5.3.JPG  BJTCurrentTransport.JPG  BJTRegionsOfOperation.jpeg BJTEnergyBand.JPG  BJTSPICEModel.jpeg  To Support Classes 20,22, and 24 March

 

2N2222.pdf  2N3904.pdf  2N3904.pdf  2N3906.pdf  To Support the Laboratory and BJT Class Discussions

 

Experiment8BJT.htm  Laboratory for 23 March 2017

 

ProblemSet8.htm  Due:  Wednesday, 29 March

 

Experiment9BJTAmplifier.htm  Laboratory for 30 March 2017

 

ProblemSet9.htm  Due:  Wednesday, 5 April

 

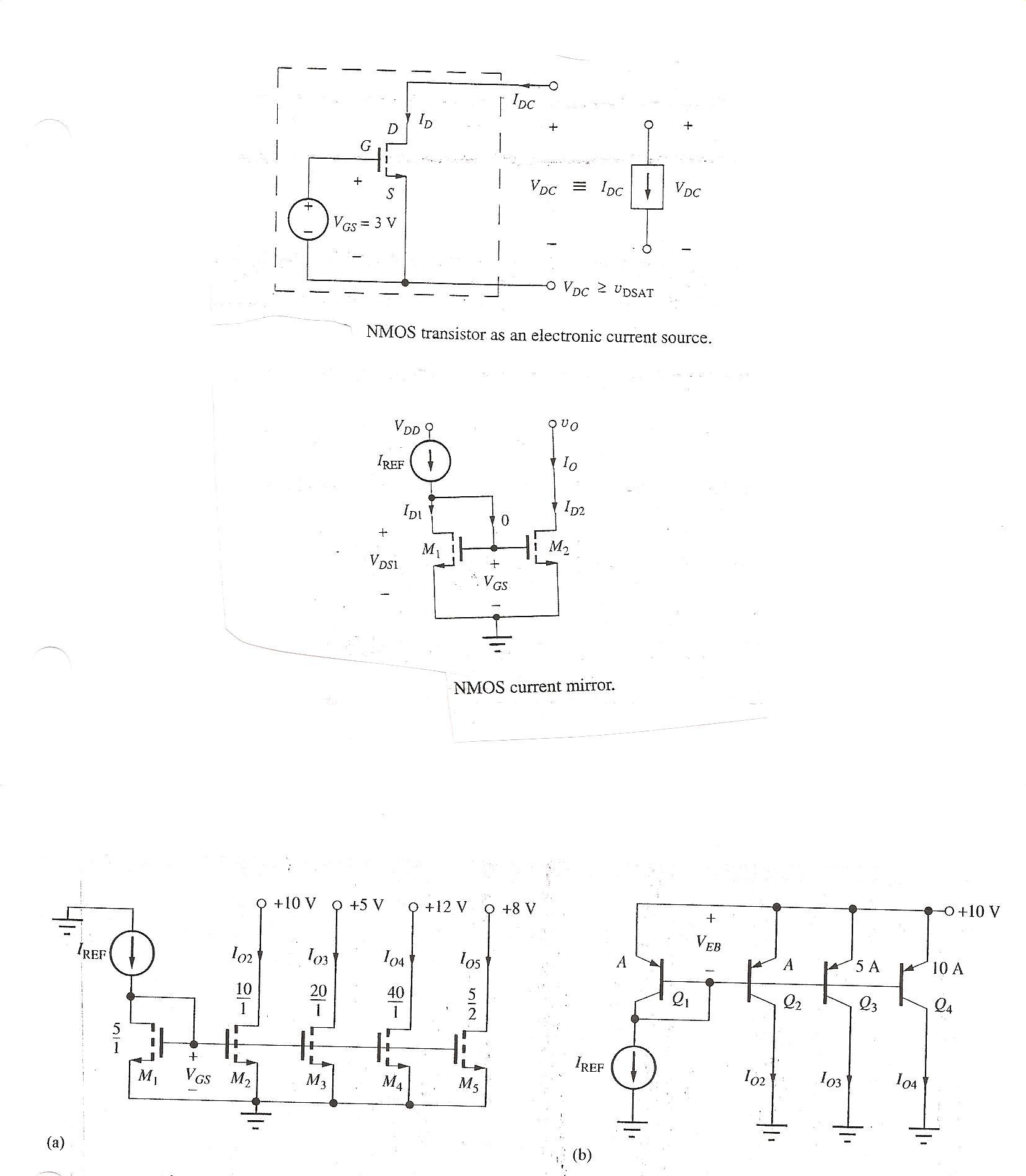
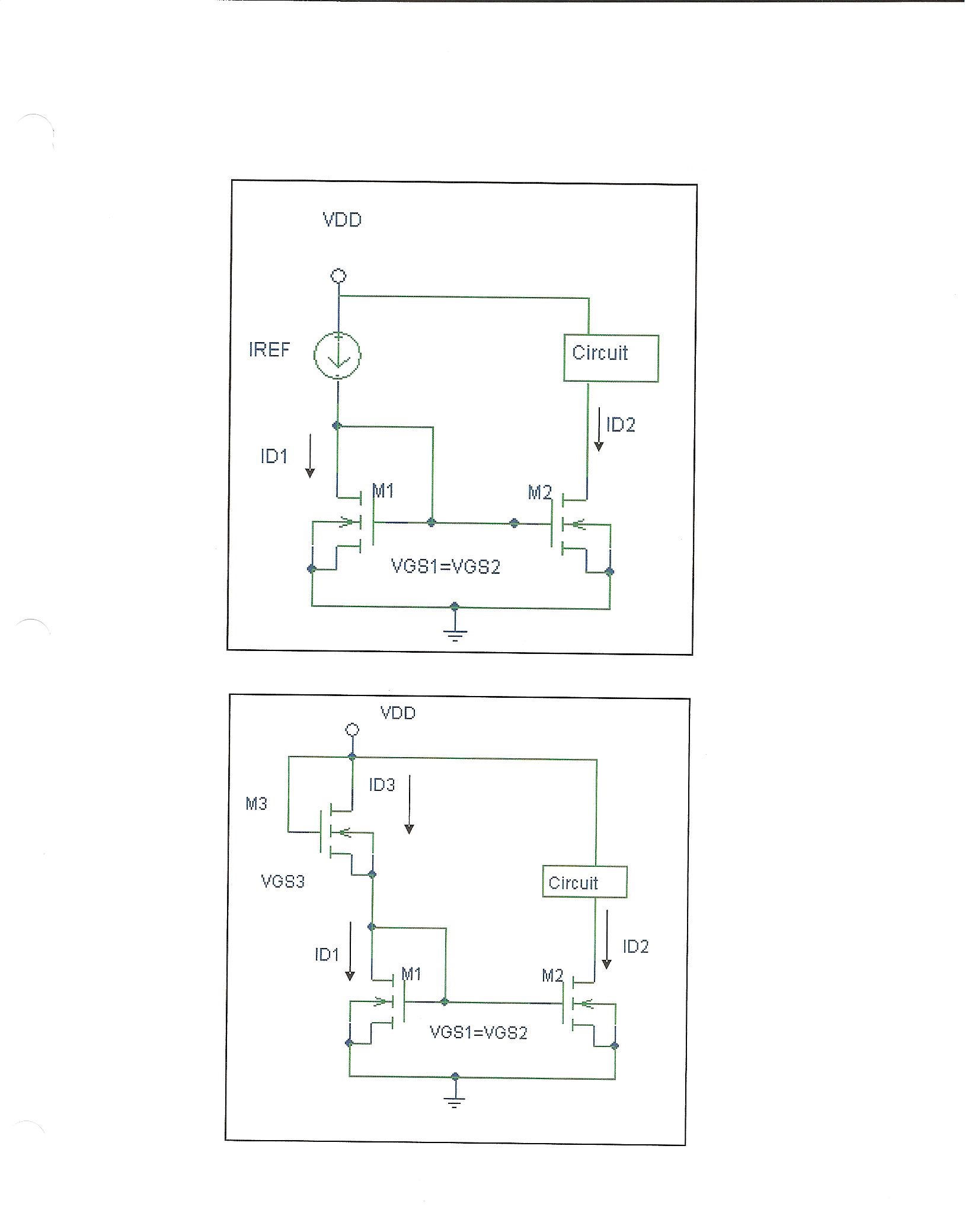
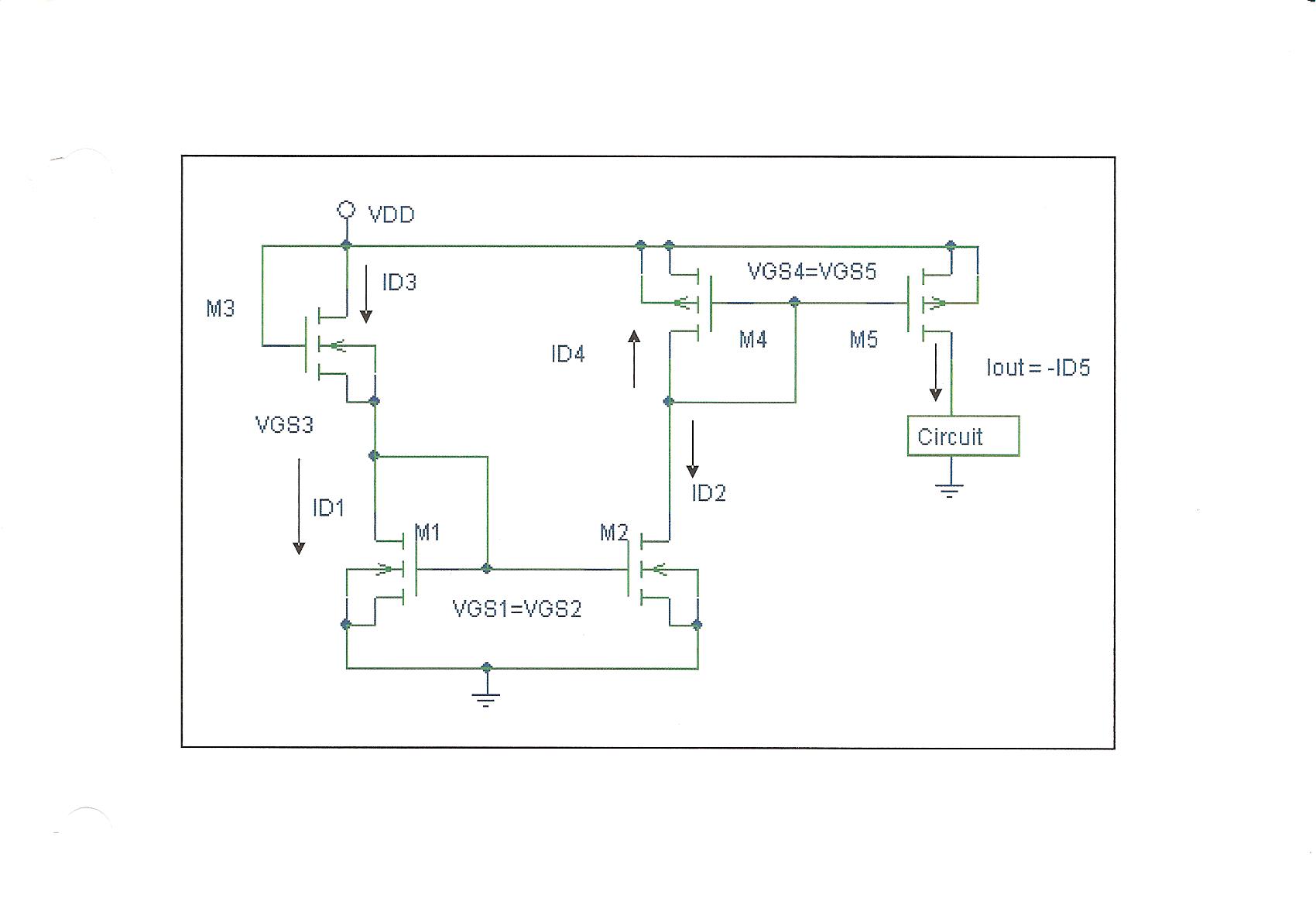
CurrentSourcesBasic.JPG  CurrentSourceMirrors - Copy.JPG  MOSCurrentSources.JPG  MOSCurrentSource2.JPG  StabilizedCurrrentSource (2).JPG  To Support 31 March and 3 April Classes

 

LM3046NationalSemiconductor.pdf  To Support Experiment 9

 

Experiment10CurrentSources.htm  Laboratory for 6 April 2017

 

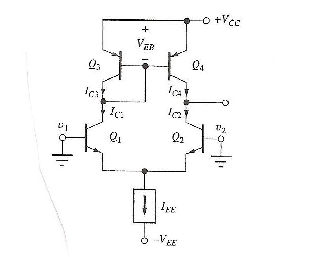
DiffPair1.JPG  DiffPair2.JPG  EC1.jpeg  EC2.jpeg  EC3.jpeg  ECPairUsingCurrentSourceBiasing.jpg  To Support 7 and 10 April Classes

 

ProblemSet10.htm  Due:  Wednesday 12 April

 

Experiment11EmitterCoupledPair.htm   Laboratory for 13 April.  Be sure you read Notes 1 through 3.

 

ActiveLoad1.JPG  ActiveLoad2.JPG  ActiveLoad3.JPG  To Support 14 and 17 April Classes

 

BiMOSCA3130.pdf  To Support 14 and 17 April Classes

 

ProblemSet11.docx  Due: Friday, 21 April.  Be sure you refer to the two notes at the beginning of the Problem Set.

 

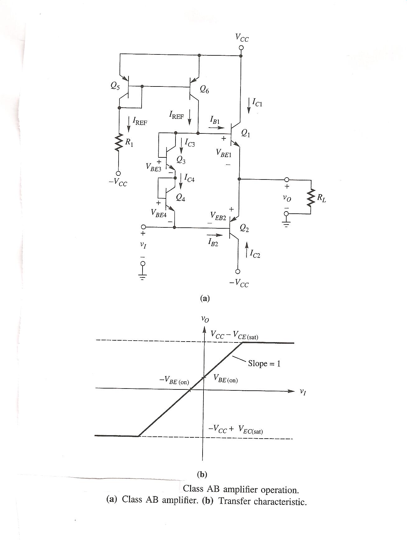
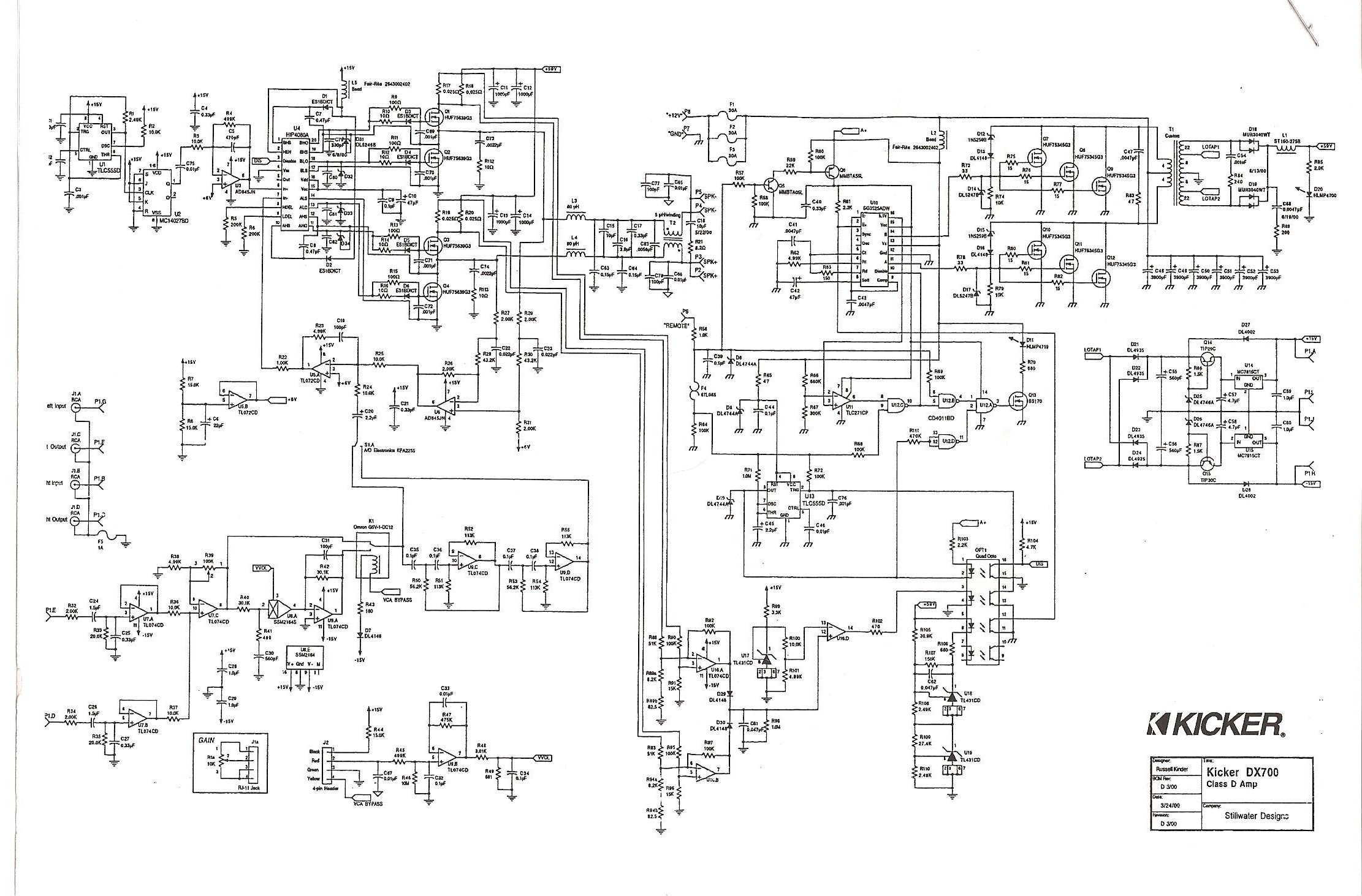
ClassBNr1.JPG  ClassBNr2.JPG  ClassBNr3.JPG  ClassAB.JPG  ClassABFor741.jpeg  ClassD1.JPG  ClassD2.JPG  ClassD3.JPG  ClassD4.JPG  ClassD5.JPG  ClassD6.JPG  ClassD7.JPG  PowerAmplifierProtectionCircuits.JPG  6L6DataSheet.pdf  EL-34DataSheet.pdf  To Support Classes Week of 17-21 April

 

Senior Design Presentation.pptx  Senior Design Schematic_04-25-2016.pdf To Support 21 April Class

 

Effect.jpg  To Support 21 April Class

 

QUIZ11.doc  To Support 24 April Class

 

Power Amplifier Examples To Support 24 and 26 April Classes

AmplifierExamplesSpring2017\CarAmp.jpg

AmplifierExamplesSpring2017\CarAmp2.jpeg

AmplifierExamplesSpring2017\FenderAmp.jpeg

AmplifierExamplesSpring2017\FenderAmp (2).jpeg

AmplifierExamplesSpring2017\GM-D8500M_OwnersManual1023.pdf

AmplifierExamplesSpring2017\KickerClassDNr1.jpeg

AmplifierExamplesSpring2017\Monoblock.jpeg

AmplifierExamplesSpring2017\NationalSemiICs.jpeg

AmplifierExamplesSpring2017\Pioneer1.jpeg

AmplifierExamplesSpring2017\Pioneer2.jpeg

AmplifierExamplesSpring2017\PioneerBJT.jpeg

AmplifierExamplesSpring2017\PioneerClassD3.jpeg

AmplifierExamplesSpring2017\PioneerClassD4.jpeg

AmplifierExamplesSpring2017\RockfordFosgate.jpeg

AmplifierExamplesSpring2017\tannoyreveal501a.pdf

AmplifierExamplesSpring2017\TubeAmp.jpeg

 

Extra Credit Examples

ExtraCreditExamples\Spider III 1508-3012-HD75JeremyThesing.pdf  ExtraCreditExamples\20170412_183144JeremyThesing.jpeg  ExtraCreditExamples\20170412_183209JeremyThesing.jpeg  ExtraCreditExamples\20170412_183236JeremyThesing.jpeg

 

ExtraCreditExamples\Mackie450_srmDonovanSimonson.pdf  ExtraCreditExamples\Mackie_swa1501_schDonovanSimonson.png

 

ExtraCreditExamples\Vacuum Tube Amp DiagramGarrettStGermain.PNG